Мы свяжемся с вами в ближайшее время.
Сертификаты
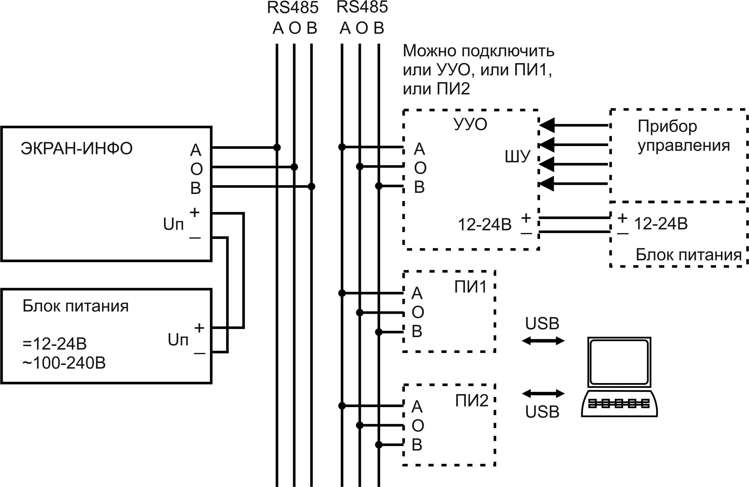
Внешнее устройство управления оповещателем УУО обеспечивает подключение оповещателя к дискретным выходам (например, реле) пожарных пультов или контроллеров управления.
Использование оповещателя ЭКРАН-ИНФО совместно с УУО позволяет заменить до четырех отдельных оповещателей.
УУО располагается вне взрывоопасной зоны. Есть два исполнения в герметичном корпусе (IP54) и в корпусе на DIN рейку размеров 35 мм и 32 мм. Связь с оповещателем осуществляется по интерфейсу RS-485 с гальванической развязкой и контролем линии связи. Максимальная длина линии связи 1 км. При потере связи между оповещателем и УУО, последний формирует на входах управления сигнал о неисправности, распознаваемый прибором управления (пультом).
Комплектация
{{ product.state.sku }}
Артикул не найден
Базовая комплектация
{{ category.title }}:
Кабельный ввод:
{{ product.getDeviceTitleById(deviceId) }} {{ count > 1 ? '×' + count : '' }}{{ category.title }}:
{{ category.title }}:
Итого
Для РФ, с НДС
Экспорт, без НДС
По всем вопросам звоните или пишите в чат.
По всем вопросам звоните или пишите в чат.
Не нашли нужную информацию?
Оставьте заявку и наш менеджер свяжется и проконсультирует вас
Остались вопросы?
Свяжитесь с нами! Мы подберем нужный товар, сориентируем по стоимости и срокам производства.
Описание

Надписи отображаются поочередно в зависимости от сигналов на входах управления и приоритета входа. Вход с большим номером имеет больший приоритет. Единовременно отображается только одна надпись, последней отображается надпись соответствующего входа управления с учетом приоритета.
Диаграмма приоритета вывода надписи на оповещателе ЭКРАН-ИНФО и ЭКРАН-ИНФО-RGB в зависимости от поданного сигнала на входу УУО (УУО-RGB):
![]() |
|
Характеристики
|
степень защиты (для гермитичного корпуса) от воздействия воды и пыли
|
IP54
|
|
напряжение питания
|
12-24 В |
|
ток потребления, А
|
0,15
|
|
габаритные размеры гермитичного корпуса, мм
|
210х80х55
|
| габаритные размеры корпуса на DIN рейку, мм | 70,5х96х60 |
|
срок службы, не менее, лет
|
10
|
|
гарантийный срок, месяцев
|
60
|
Скачать
Чертежи и программы
Видео
